Carrito
No hay más artículos en su carrito
29,90 €
THETFORD 50709 SN Panel de control para C250/C260
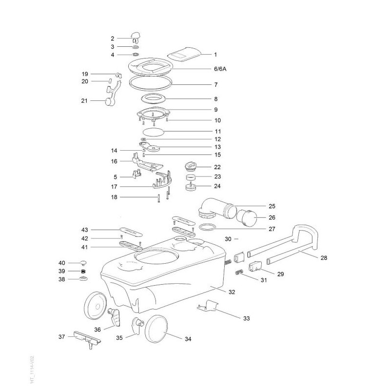
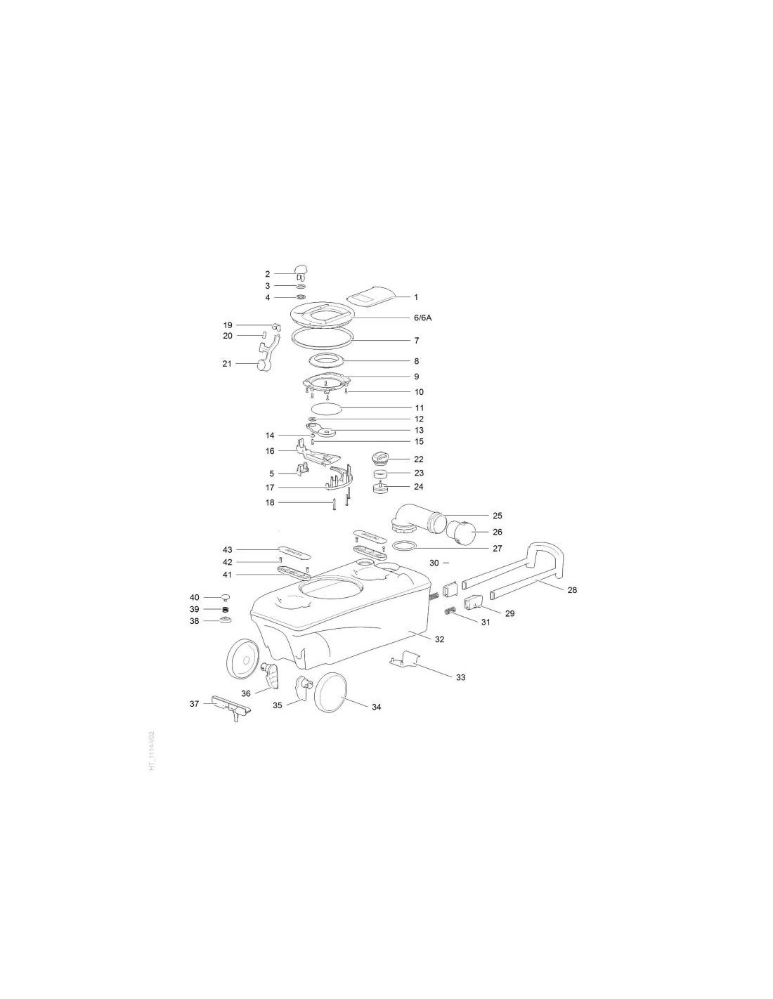
Corresponde por ejemplo al punto 7 del dibujo adjunto para el C250S. Común al C250CSC250CWE
