Shopping Cart
There are no more items in your cart
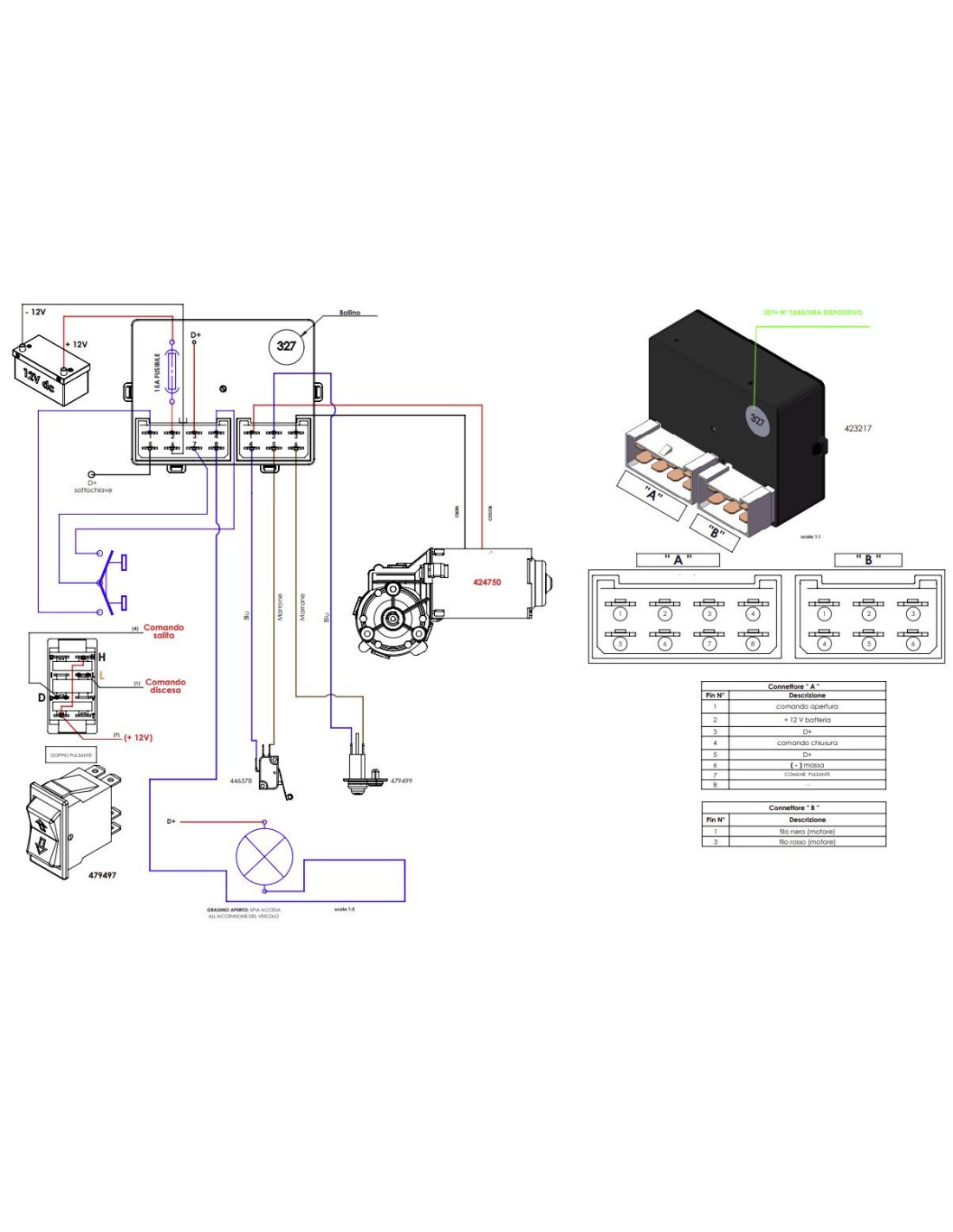
RIC 10856 PROJECT2000
PROJECT 2000 step side panels and gasket group kit 10856, 12473, 10750, 10575
PRO2023005874
€14.90
PROJECT 2000 step side panels and gasket group kit 10856, 12473, 10750, 10575 Composed of: right and left side panels in molded plastic material. Size approximately 228mm x 30mm approximately black rubber gasket, two 1 meter lengths - 12473- Point B of the exploded view - 10750 - Point 11 of the exploded view. - 10576 with 3 steps - Point 3 of the...
