Shopping Cart
There are no more items in your cart
€12.90
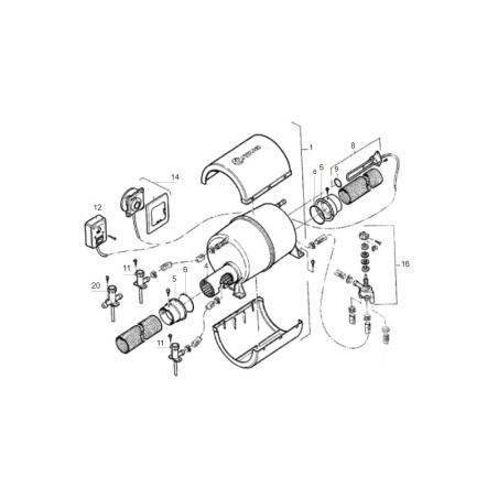
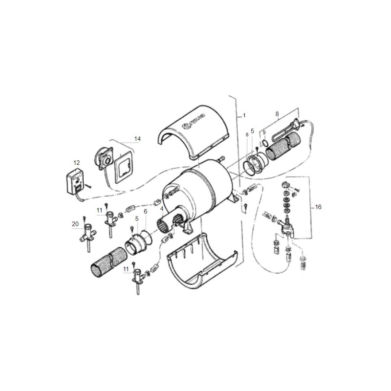
VALVOLA DI SCARICO CON SINGOLO ATTACCO TT
PUNTO 11 DELL'ESPLOSO
