Carrito
No hay más artículos en su carrito
15,90 €
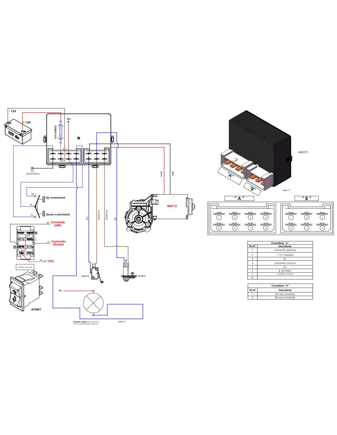
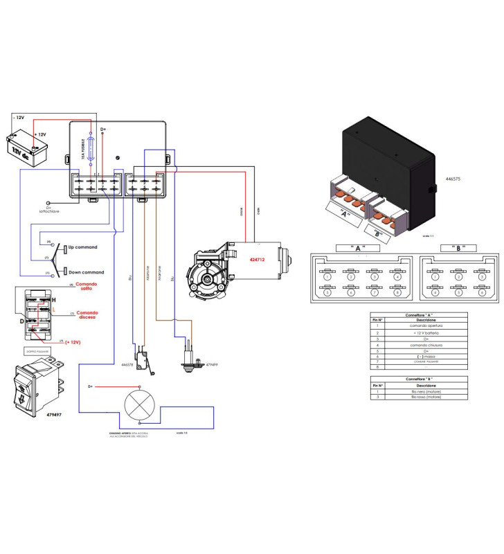
CABLAGGIO ELETTRICO PER 10570

