Panier
Il n'y a plus d'articles dans votre panier
198,00 €
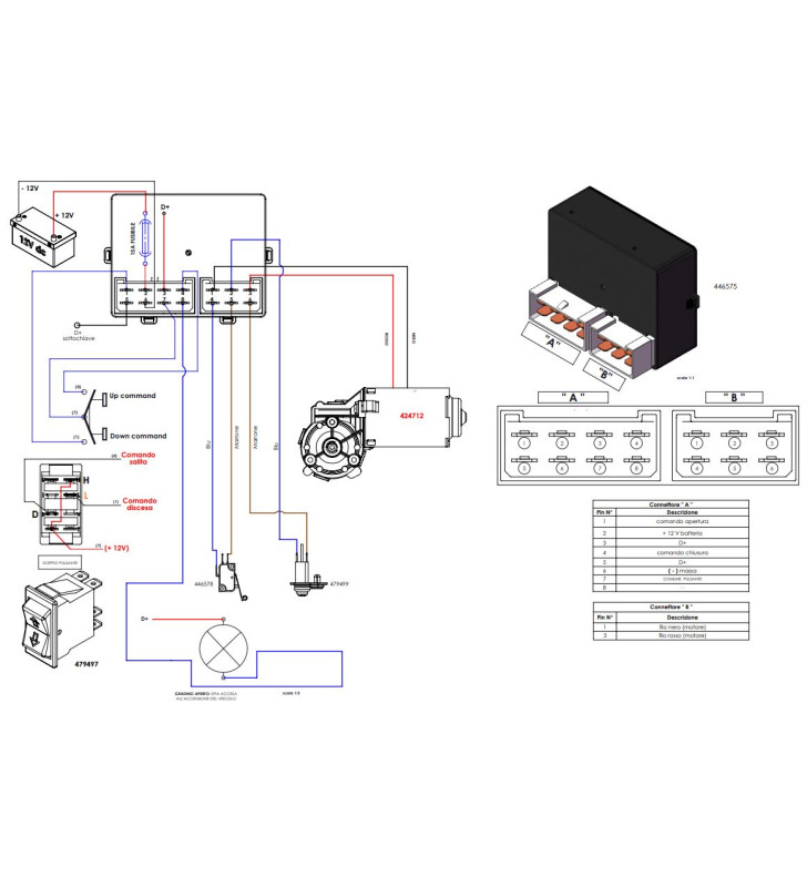
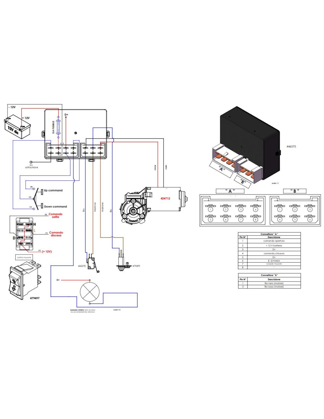
Groupe moteur pas à pas complet LIPPERT 10750/5
Main opposée à notre article 13532

